恒照度自適應調光的LED驅動器設計
? 本文針對傳統照明能效低、耗電量大等問題,設計了LED恒照度調光驅動器。系統使用恒流LED控制芯片NCL30160作為LED光源驅動電路,采用TSL2561光照度傳感器采集室內光照度,通過處理器相應算法進行閉環控制,實現室內的恒照度調光。該算法實現了PWM波形平滑變化,避免因PWM突變造成閃光。同時,系統增加了人體運動控制,實現無人、有人時的不同調光方案,使設計進一步節能和智能化。
? 1?系統簡介及工作原理
? 系統由PIC16F690單片機、?TSL2561光照度傳感器、LED光源和LED驅動電路4部分組成。由于LED的亮度與工作電流成正比,故調節工作電流即可調節LED的發光亮度。目前主要有調節正向電流和脈沖調制調光兩種調光方法。由于脈寬調制調光具有不會產生任何色彩偏移、調光精度高、結合數字技術調光、調光范圍寬、不閃爍等優點,故本文選用脈沖調制調光。
? 系統主要由TSL2561采集光照度反饋給PIC16F690處理芯片,經過PIC16F690進行相應的算法處理,輸出隨光照度規律變化的PWM波形,經過帶有PWM接口的驅動電路驅動LED燈從而實現調光。系統框圖如圖1所示。
? 恒照度調光的LED驅動器系統框圖
圖1?恒照度調光的LED驅動器系統框圖
? 同時,在本系統中加入了人體運動控制以及按鍵控制,能夠檢測人體運動,實現在無人時自動關閉LED燈,進一步減少電能浪費;按鍵能夠調節PWM波形的頻率以及設定環境大光照度,使系統更為人性化。
? 1.1 PIC16F690單片機
? PIC16F690單片機具有高性能的RISC CPU、低功耗以及豐富的外設資源,能夠滿足本系統的硬件資源需求。由于該款單片機資源豐富,既滿足系統需求,又不十分浪費資源,故降低了控制器成本。
? 1.2 TSL2561光照度傳感器
? TSL2561是TAOS公司推出的一種高速、低功耗、寬量程、可編程靈活配置的光強度數字轉換芯片。該芯片的應用能夠提供好的顯示亮度并降低電源功耗。TSL2561具有以下幾個特點:
? ①可編程配置許可的光強度上下閾值,當檢測光照度超過閾值時能產生中斷信號;
? ②數字輸出符合標準的SMBus和I2C總線協議;
? ③可編程控制模擬增益和數字輸出時間;
? ④超小封裝和超低功耗;
? ⑤自動抑制50 Hz/60 Hz的光照波動。
? TSL2561?的內部結構如圖2所示。其內部有兩個光敏二極管通道,即通道0和通道1,其中通道0對可見光和紅外線都敏感,通道1僅對紅外線敏感。流過光敏二極管的電流經過積分式A/D轉換器轉換為數字量,轉換完后將數字量存入芯片內部的寄存器中。積分式A/D轉換器將在一個積分周期完成后自動進行積分轉換過程。?TSL2561可以通過對其內部16個寄存器設定來控制,該16個寄存器可通過標準的SMBus或者I2C總線協議訪問。
? TSL2561的內部結構
圖2 TSL2561的內部結構
? 2?硬件設計
? 2.1?控制電路設計
? 控制電路主要由PIC16F690的小系統組成,包括復位電路、輸入按鍵電路、下載調試電路、供電電路、晶振電路以及相應的信號輸入/輸出接口。
? 由于本系統的研究重點在于調光算法,且系統屬于小功率,故供電電路采用簡單實用的阻容電路。芯片供電電壓為3.3 V,采用ASM1117穩壓芯片。
? 下載調試電路根據微芯公司提供的資料,采用微芯集成仿真器ICD3,接口電路根據官方資料設計。復位電路以及晶振電路按照常用電路設計。總體硬件框圖如圖3所示。
總體硬件框圖
圖3?總體硬件框圖
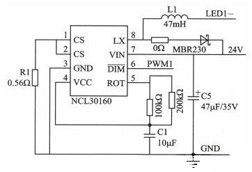
? 2.2?驅動電路設計
? 圖?4為基于恒流LED控制芯片NCL30160的LED驅動電路。NCL30160是安森美半導體推出的一款NFET遲滯降壓、恒流LED驅動器。它將電流提升到了1.5 A,是新一代高能效的解決方案,損耗非常低,體積很小,可大限度地減少空間和成本。通過利用僅55 mΩ的低導通阻抗內部MOSFET及以100%占空比工作的能力,能夠提供能效高達98%的方案。高1.4 MHz的高開關頻率使設計人員可采用更小的外部元件,將電路板尺寸減至小及成本降至低。
? 驅動電路圖
圖4?驅動電路圖
? 根據NCL30160的數據手冊及輸出要求計算外圍器件參數。系統采用5顆1 W的LED串聯,恒定電流為350 mA。
? R1=200 mV/ILED=200 mV/350 mA≈0.56?Ω (1)式中,ILED為LED燈串電流。圖4中的C5采用官方數據手冊推薦的取值。電感L1及ROT由式(2)~(4)得到。式中,toff、ton、△I、RDS(oN)的取值參考數據手冊;VIN在此處取為24 V,DCRL為電感電阻,此處取為0?Ω。
? 公式
? 3?軟件設計
? 軟件設計包括主程序設計、I2C總線通信程序設計、調光算法設計,以及運動控制和按鍵輸入程序設計4部分,是實現系統智能化控制的核心。
? 3.1?主程序設計
? 圖5為主程序流程圖。主程序的作用是選擇是否改變PWM頻率及照度上限、無人模式和有人調光模式。恒照度算法在定時中斷處理程序中實現。
? 主程序流程圖
? 圖5?主程序流程圖
? 3.2?調光算法設計
? 調光算法主要實現光照度信號的采集、數據處理運算并通過相應的算法實現實時跟蹤補償照度,從而實現平滑調光。TSL2561光照度傳感器數字輸出符合I2C?總線標準協議,實現光照度采集必須實現TSL2561通信。I2C總線標準協議的讀寫方法主要有硬件實現和軟件模擬,由于PIC16F690控制器沒有自帶的I2C總線接口,故本文采用軟件模擬實現的方法。
? 采集進來的數據經過TSL2561標準規定的數據計算后獲得光照度,將采集進來的室內光照度與設定的標準值比較,計算出LED需要補償的照度值,并轉化為處理器內PWM寄存器的值,記為當前PWM值。將前PWM寄存器值記為?PWM原值。將PWM原值與當前PWM值不斷比較遞增或遞減,使PWM輸出以極小的步長跟蹤當前PWM值,從而實現平滑調光。此算法還能解決啟動跳變問題,使系統啟動時PWM由零慢慢變化到當前PWM值。調光算法程序流程圖如圖6所示。
? 調光算法程序流程圖
圖6?調光算法程序流程圖
? 3.3?運動控制和按鍵輸入程序設計
? 運動控制采用紅外熱電釋人體運動傳感器,能夠檢測室內是否有人,通過判斷人體的活動情況選擇相應的照明模式。若有人則選擇調光模式,若無人則關閉LED燈,進一步節能。
按鍵輸入主要有模式切換鍵及增減鍵,模式切換鍵主要用于切換改變頻率或者改變光照度的大設定值。考慮到單片機的硬件資源和合理的調光需求,時鐘預分頻比設定為4,頻率變化范圍為10~100 kHz,光照度大設定值根據多次測量各時間段的光照度選取合適的調節范圍,故光照度大設定值范圍為350~500。
? 4?實驗結果
? 本實驗使用TSL2561光照度傳感器、控制電路、驅動電路。LED負載為5顆1 W的LED串聯,恒定電流為350 mA。系統的工作狀態可分為有人和無人,當傳感器檢測為無人時,PWM輸出關閉,此時LED燈串熄滅;反之,則根據室內光照度自動調節LED燈串的亮度。由于實驗條件限制,室內光照度改由遮光窗簾遮擋窗戶強光來實現。如果系統數據和波形與理論分析一致,則說明系統設計正確。理論計算公式如下:
??理論計算公式中,LUXF為反饋回來的光照度值。
?多云天氣條件下測得的實驗數據
? 表?1是在多云天氣條件下測得的實驗數據。系統根據不同的室內照度,調節PWM輸出波形從而改變LED光亮度。由于室內照度計探頭位置放置和TSL2561傳感器有一定的偏差,故數據存在一定的誤差。即在有人時,根據式(5)計算PWM占空比與示波器顯示波形基本吻合;無人時,無論室內光照度值是多少,PWM?占空比均為零,LED不照明。將實驗數據與理論值進行比較,考慮一定誤差的情況下,基本吻合。輸出部分PWM波形如圖7所示,分別為室內光照為22.82 lx和317.08 lx時的PWM波形。
? 結語
? 通過實驗證明,系統按照程序設計,能夠很好地進行恒照度控制;運動控制在無人時自動關閉,一旦檢測到有人活動時,馬上進行恒照度控制。同時系統設置了調節調光頻率和大光照度值,能夠根據不同要求做適當的改變。恒照度自適應調光和人體運動控制有效實現了節能要求。









